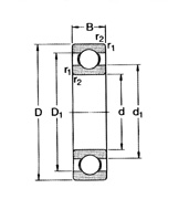
| ตลับลูกปืนเม็ดกลมร่องลึก แถวเดี่ยว มิติเป็นนิ้ว SINGLE ROW DEEP GROOVE BALL BEARING WITH INCH DIMENSIONS |

รหัสสินค้า |
ขนาด |
รหัสสินค้า |
ขนาด |
||||
d |
D |
B |
d |
D |
B |
||
EE |
|||||||
EE2 TN9 |
1/4" | 3/4" | 7/32" | RLS 10-2Z |
1 1/4" | 2 3/4" | 11/16" |
EE3 TN9 |
3/8" | 7/8" | 7/32" | RLS 11 |
1 3/8" | 3" | 11/16" |
EEB 3-2Z |
3/8" | 7/8" | 9/32" | RLS 12 |
1 1/2" | 3 1/4" | 3/4" |
RLS |
RLS 12/C3 |
1 1/2" | 3 1/4" | 3/4" | |||
RLS 4 |
1/2" | 1 1/56" | 3/8" | RLS 13 |
1 5/8" | 3 1/4" | 3/4" |
RLS 4-2RS1 |
1/2" | 1 1/56" | 3/8" | RLS 14 |
1 3/4" | 3 3/4" | 13/16" |
RLS 4-2Z |
1/2" | 1 1/56" | 3/8" | RLS 16 |
2" | 4" | 13/16" |
RLS 5 |
5/8" | 1 9/16" | 7/16" | RLS 16 /C3 |
2" | 4" | 13/16" |
RLS 5-2RS1 |
5/8" | 1 9/16" | 7/16" | RLS 18 |
2 1/4" | 4 1/2" | 7/8" |
RLS 5-2Z |
5/8" | 1 9/16" | 7/16" | RMS |
|||
RLS 6 |
3/4" | 1 7/8" | 9/16" | RMS 5 |
5/8" | 1 13/16" | 5/8" |
RLS 6-2RS1 |
3/4" | 1 7/8" | 9/16" | RMS 6 |
3/4" | 2" | 11/16" |
RLS 6-2Z |
3/4" | 1 7/8" | 9/16" | RMS 7 |
7/8" | 2 1/4" | 11/16" |
RLS 7 |
7/8" | 2" | 9/16" | RMS 8 |
1" | 2 1/2" | 3/4" |
RLS 7-2RS1 |
7/8" | 2" | 9/16" | RMS 9 |
1 1/8" | 2 13/16" | 13/16" |
RLS 7-2Z |
7/8" | 2" | 9/16" | RMS 10 |
1 1/4" | 3 1/8" | 7/8" |
RLS 8 |
1" | 2 1/4" | 5/8" | RMS 11 |
1 3/8" | 3 1/2" | 7/8" |
RLS 8-2RS1 |
1" | 2 1/4" | 5/8" | RMS 12 |
1 1/2" | 3 3/4" | 15/16" |
RLS 8-2Z |
1" | 2 1/4" | 5/8" | RMS 13 |
1 5/8" | 4" | 15/16" |
RLS 9 |
1 1/8" | 2 1/2" | 5/8" | RMS 14 |
1 3/4" | 4 1/4" | 1 1/16" |
RLS 9-2RS1 |
1 1/8" | 2 1/2" | 5/8" | RMS 16 |
2" | 4 1/2" | 1 1/16" |
RLS 9-2Z |
1 1/8" | 2 1/2" | 5/8" | RMS 18 |
2 1/4" | 5" | 1 1/4" |
RLS 10 |
1 1/4" | 2 3/4" | 11/16" | ||||
RLS 10-2RS1 |
1 1/4" | 2 3/4" | 11/16" | ||||
Master Bearings