Master Bearings

DGBB | SABB | ACBB | CRB | SRB | CARB | TRB| TBB | CRTB/NRTB| SRTB | Y-BEARING | HOUSING | SLEEVES| PLAIN | NRB
Radial shaft | Mechanical | V-ring| Axial clamp| Wear sleeves| Other
Roller Chains | Couplings | Pulley | Optibelt
Linear Motion System | Sensorized Units
RS | Online | Aptitude

Bearings

Page:1 2 3 4 5 6 7 8 9 10

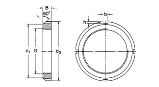
แป้นเกลียวล็อค ขนาดเป็นนิ้ว ชนิดหนา

LOCK NUTS WITH INCH DIMENSIONS ( HEAVY SECTION )

รหัสสินค้า
ขนาด
รหัสสินค้า
ขนาด
 
G
d3
B
 
G
d3
B
AN
AN 15
2.933" 3.880" 0.604"
AN 24
4.716" 6.130" 0.823"
AN 16
3.137" 4.161" 0.604"
AN 26
5.106" 6.775" 0.885"
AN 17
3.340" 4.411" 0.635"
AN 28
5.497" 7.099" 0.948"
AN 18
3.527" 4.661" 0.698"
AN 30
5.888" 7.693" 0.979"
AN 19
3.730" 4.943" 0.729"
AN 32
6.284" 8.068" 1.041"
AN 20
3.918" 5.193" 0.760"
AN 34
6.659" 8.661" 1.073"
AN 21
4.122" 5.443" 0.760"
AN 36
7.066" 9.068" 1.104"
AN 22
4.325" 5.724" 0.791"
AN 38
7.472" 9.474" 1.135"
       
AN 40
7.847" 9.849" 1.198"

 

Page: 1 2 3 4 5 6 7 8 9 10